盛塞爾JTW-BD-885HT點型感溫火災探測器 非編碼 90℃高溫報警 廚房溫感

一、盛塞爾JTW-BD-885HT點型感溫火災探測器概述
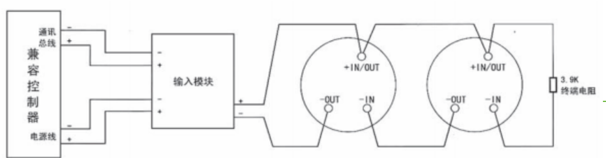
該探測器是二線制差定溫型感溫探測器,設計這類探測器是為了對開放式區域提供保護,且需與兼容的控制器配套使用。
該探測器采用現代工藝技術的熱敏元件快速反應電路。可適用于各種惡劣環境,維護簡便,故障率低。
探測器與控制器通電,該探測器處于正常的監控狀態時,發光二極管(LED)不亮。探測器處于報警狀態時,發光二極管(LED)鎖定恒亮。
二、盛塞爾JTW-BD-885HT點型感溫火災探測器技術參數
| 直徑 | 102.5mm(安裝于DZ-B801HT底座) |
| 高度 | 47mm(安裝于DZ-B801HT底座) |
| 重量 | 約95g |
| 工作溫度范圍 | -10℃~80℃ |
| 工作濕度范圍 | 5%~95%RH相對濕度,無凝結 |
| 工作電壓范圍 | 8.5~35VDC |
| 更大
紋波電壓 | 30%(峰峰值) |
| 靜態電流 | ≤90μA |
| 報警電流 | 10mA~130mA |
| 報警復位時間 | 瞬間斷電(更大
0.3秒,最小2.5VDC) |
| 報警溫度 | 90℃(定溫)或8.3℃/分(差溫) |
| 上電時間 | ≤5秒 |
| 執行標準 | GB4716-2005 |
| 軟件版本 | A |
三、盛塞爾JTW-BD-885HT點型感溫火災探測器底座圖

四、盛塞爾JTW-BD-885HT點型感溫火災探測器接線圖
